Marklin 37190 Handleiding
Hier is de Marklin 37190 (Speelgoed) gebruikershandleiding. 3 pagina's in taal Alle talen met een gewicht van 0.3 Mb. Als u geen antwoorden op uw probleem kunt vinden Vraag het onze community.
Pagina 1/3

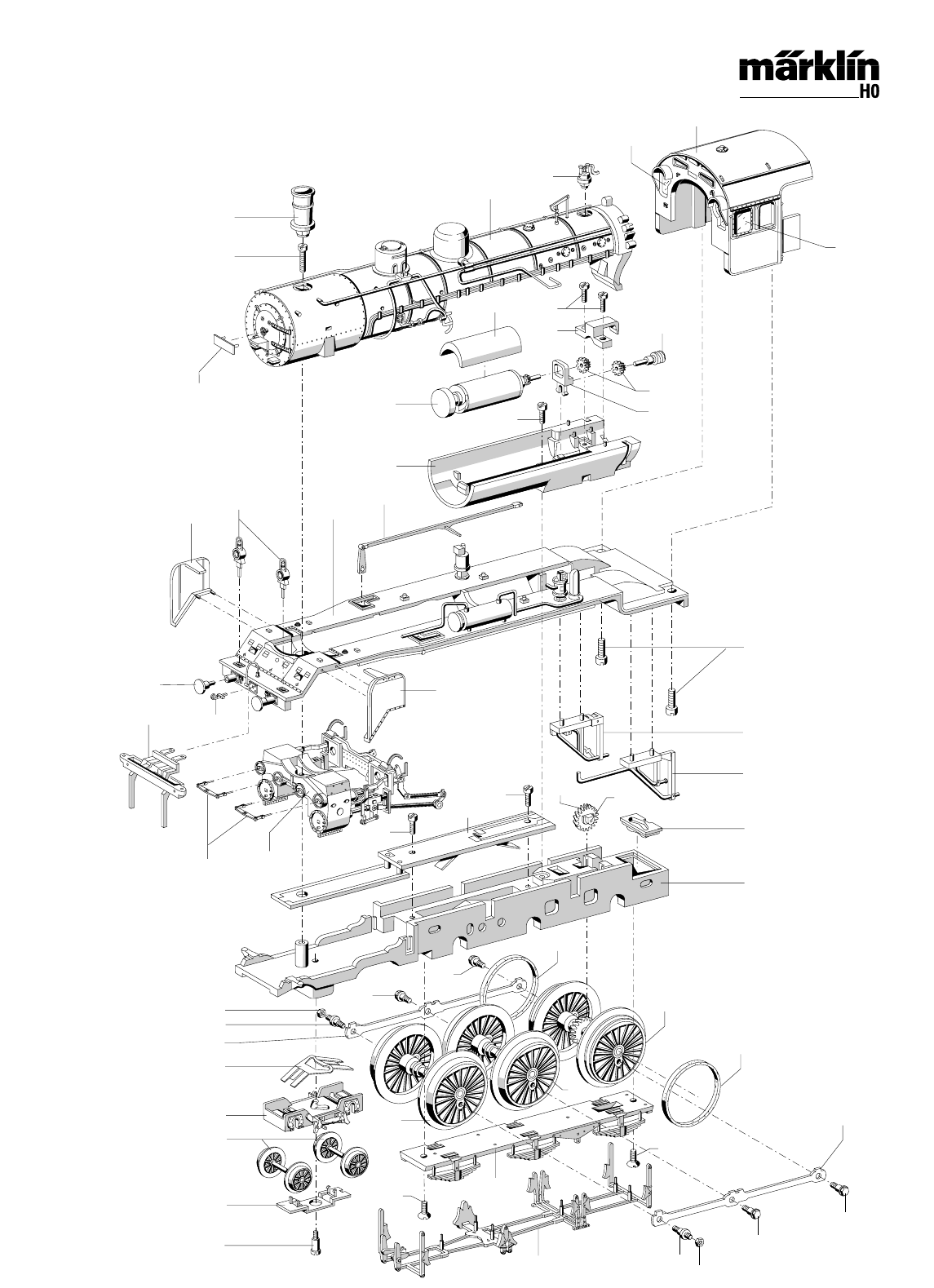
Einzelteile der Lokomotiven
33190, 37190 und 37192
Erhältlich beim Fachhandel 607503 1101 na
8
7
45
1
2
3
48
47
49 46
45
44
43
35
38
50
36
39
51
21
22
23
20
17
27
28
29
30
31
16
15
25
25
24
26 20 23
19 19
18
14
14
19
19 13
12
12
9
52
53
32
10
33 34
11
37
6
41
40
42
17007
33190 / 37190
Probleemoplossing Marklin 37190
Als je de handleiding al zorgvuldig hebt gelezen maar geen oplossing voor je probleem hebt gevonden, vraag dan andere gebruikers om hulp
Specificaties
Merk: | Marklin |
Categorie: | Speelgoed |
Model: | 37190 |